G1/4'' 230V AC 5/2 vías Válvula de solenoide NAMUR 1.5-8bar MVSN
Electroválvula neumática de 5/2 vías de Mindman con puertos G1/4" (rosca hembra), configuración Namur 1/4" (VDI/VDE 3845), puertos de escape G1/8" y bobina de 230V AC. La válvula es monoestable (retorno por muelle). Funcionamiento indirecto (pilotaje interno). Las aplicaciones incluyen el control de un cilindro de doble efecto o un actuador neumático. Presión de funcionamiento 2-8 bar. Aire medio, no apto para otros medios ni para el vacío. Con control de anulación manual. Se puede montar en el colector con suministro de aire central/venteo. Tiempo de respuesta 0,038s, valor Kv 0,8 Nm3/h (862 Nl/min).
Incluye bobina y conector DIN-B- Precio normal
- €28,14
- Precio normal
- €23,26
Descripción
Electroválvula neumática de alta calidad de Mindman. Esta válvula es de 5/2 vías y monoestable (1 bobina). La válvula tiene puertos G1/4" (rosca BSPP). La tensión de la bobina es de 230V AC y la potencia es de 4,9VA. Tenga en cuenta que los puertos de escape tienen roscas G1/8", son más pequeños que los otros puertos. La válvula sólo puede funcionar con aire comprimido (filtrado hasta 5 μm) que no necesita ser lubricado. La presión de funcionamiento es de 2 a 8 bares. Esta válvula tiene una configuración Namur, lo que le permite ser montada directamente a un actuador neumático sin conexión de manguera. El tiempo de respuesta es de 0,038 s. Valor Kv 0,8 (862Nl/min). Esta válvula está equipada con una anulación manual.
Una válvula de 5/2 vías tiene cinco puertos y dos estados. Dos puertos (A y B) se conectan al aparato, por ejemplo un cilindro de doble efecto. Un puerto se utiliza para suministrar aire presurizado (puerto P), los dos puertos restantes son escapes (puerto S y R) y están conectados a los puertos B y A respectivamente. Al cambiar de estado, el puerto A está presurizado y el puerto B ventilado, o el puerto A está ventilado y el puerto B presurizado. Si la válvula se utiliza para controlar un cilindro de doble efecto, un estado de la válvula se utiliza para mover el cilindro en una dirección, y el otro estado se utiliza para mover el cilindro en la dirección opuesta.Esta válvula es de simple efecto, lo que significa que la válvula es controlada por un solenoide y vuelve a la posición de reposo por medio de un resorte. Si el solenoide no se activa, la válvula vuelve a la posición de reposo (cuadrante derecho).
Mindman es un fabricante internacional de componentes neumáticos de alta calidad cuya producción principal se encuentra en Taiwán. Con una rica historia de producción, una gama muy amplia y una producción rentable de productos de alta calidad, son uno de los verdaderos líderes del mercado en la industria de la neumática.
Principales ventajas
- Baja resistencia al flujo (Kv=0,8m3/h)
- Funcionamiento rápido y fiable
- Larga vida útil (12.000.000+ ciclos)
- Bajo consumo de energía (4,9VA)
- Diseño sin mantenimiento
- La bobina puede instalarse en cuatro direcciones (4 x 90°)
- Diseñado para el montaje en el colector
Notas importantes
- Sólo para aire (limpio), no para otros medios ni para el vacío.
- Se requiere una presión mínima de 2 bares para su correcto funcionamiento (válvula pilotada).
- No aplique ninguna tensión a la bobina cuando esta se retire de la válvula para evitar que se queme.
- No sobrepase nunca los límites de la válvula (presión, temperatura, tensión, medio, etc.).
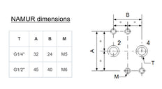
Configuración de Namur
Namur (VDI/VDE 3845) define una interfaz estándar entre válvulas direccionales neumáticas y actuadores. La electroválvula tiene dos juntas tóricas para crear una conexión estanca entre la válvula y el actuador. La electroválvula puede girar 180 grados, lo que determina si el actuador está presurizado o ventilado cuando se activa el solenoide. La siguiente ilustración muestra las dimensiones de la conexión tanto para G1/4" como para G1/2".
En la caja
- Electroválvula (tipo MVSN-220-4E1-8A-AC220)



