Válvula De Arranque Progresivo Festo G1/2'' 4-10bar 6450l/min - 542562
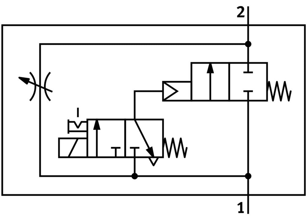
Esta válvula de arranque progresivo, con una conexión neumática G1/2, ofrece un caudal nominal estándar de 6450 l/min y opera dentro de un rango de presión de 4 - 10 bar. La válvula 2/2 accionada eléctricamente permite la presurización controlada de sistemas neumáticos, con un tiempo de acumulación de presión ajustable y un punto de conmutación de presión conmutado. Su patrón uniforme de 62 mm la hace adecuada para diversas aplicaciones industriales donde se requiere una presurización gradual del sistema para la seguridad y la fiabilidad.
- Precio normal
- €253,58
- Precio normal
- €209,57
Descripción
Esta válvula de arranque progresivo, con una conexión neumática G1/2, ofrece un caudal nominal estándar de 6450 l/min y opera dentro de un rango de presión de 4 - 10 bar. La válvula 2/2 accionada eléctricamente permite la presurización controlada de sistemas neumáticos, con un tiempo de acumulación de presión ajustable y un punto de conmutación de presión conmutado. Su patrón uniforme de 62 mm la hace adecuada para diversas aplicaciones industriales donde se requiere una presurización gradual del sistema para la seguridad y la fiabilidad.



