DN50 (2 Pulgada) 120VAC Válvula Mariposa Eléctrica Wafer Acero Inoxidable-Acero Inoxidable-EPDM - BFLW
Esta válvula de mariposa de accionamiento eléctrico es ideal para el control de flujo on/off. El actuador es apto para fuentes de alimentación de 100 a 240 voltios AC. El actuador tiene la certificación IP67 y está equipado con una anulación manual. La válvula de mariposa tiene un diámetro nominal de 50 mm (2 pulgadas), es adecuada para temperaturas del medio entre -10°C y 110°C, y una presión máxima de 16 bar. Se conecta fácilmente a sus tuberías con una brida tipo wafer.
- Precio normal
- €1.094,63
- Precio normal
- €904,65
Descripción
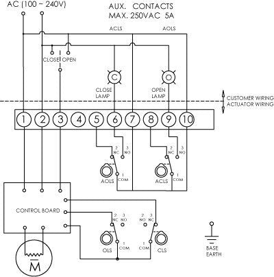
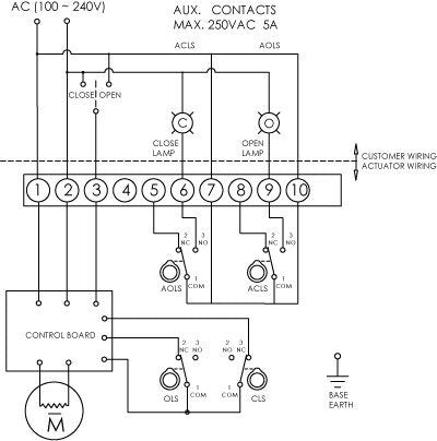
Esta válvula de mariposa con control eléctrico es una solución robusta y duradera para el control remoto de encendido y apagado. La válvula de mariposa tiene una carcasa de acero inoxidable, un disco de acero inoxidable y una junta de EPDM. El actuador requiere de 100 a 240 voltios de CA y genera 40 Nm de par de apertura para girar la válvula de 0 a 90 grados en 7 segundos. La corriente nominal en funcionamiento es de 0,1 amperios (corriente de pico 0,2A). La válvula tiene un control de 3 puntos: además de los dos contactos para la alimentación (más y menos), hay una señal de apertura (menos) y otra de cierre (menos). La válvula de mariposa tiene una brida tipo wafer para conectarla a la tubería, un diámetro nominal de DN 50 (2 pulgadas), y está clasificada hasta 16 bares para fluidos no peligrosos. Tenga en cuenta que la presión máxima puede variar en función del tipo de medio, por lo que debe comprobar cuidadosamente la hoja de datos. La válvula de mariposa tiene un disco de acero inoxidable que la hace adecuada para aplicaciones de agua, medios abrasivos o productos alimentarios. La junta de EPDM de la válvula permite un rango de temperatura de -10°C a 110°C. El actuador tiene una carcasa robusta y compacta de acero inoxidable (con recubrimiento de polvo) y es resistente al polvo y a la humedad (certificado IP67), siempre que se instale correctamente un cable de tamaño adecuado. El actuador tiene una función de anulación manual y tiene un indicador de posición en la parte superior. El actuador se monta en la válvula de mariposa a través de la brida ISO 5211 F05 (11 mm).
Pros:
- No hay riesgo de golpes de ariete debido al cierre lento (7 s).
- Los componentes son intercambiables y pueden sustituirse individualmente si es necesario.
- Sólo utiliza energía durante el movimiento y no para mantener la apertura o el cierre.
- Valor Kv alto porque el fluido fluye en línea recta.
- Tiene una longitud de construcción pequeña para un diámetro DN 50 (2 pulgadas) en comparación con la válvula de bola del mismo tamaño de diámetro.
- Puede utilizarse para una amplia gama de fluidos y gases.
- Adecuado para medios viscosos.
Contras:
- Si falla la alimentación, no se puede operar a distancia. Sin embargo, existe una función de anulación manual.
- La válvula no tiene una trayectoria de flujo totalmente libre debido al disco en comparación con las válvulas de bola.
- Sólo se puede montar con brida tipo oblea, que no se puede utilizar al final de una línea.
BFL - Serie AG
BFL
Las válvulas de mariposa de la serie BFL son una gran solución rentable para las operaciones de encendido/apagado, así como para la modulación del flujo. Se accionan manualmente mediante una palanca de apriete con enclavamiento o una rueda de engranaje manual, y son fáciles de utilizar. Adecuado para presiones de 4 a 16 bares, dependiendo del tamaño del diámetro (25 a 300 mm), el medio y la combinación de materiales. Retire la palanca de apriete o el volante para crear una brida ISO 5211 (tamaño F05 a F12). Tiene una longitud constructiva pequeña en relación con el diámetro y puede instalarse mediante una brida tipo oreja o una brida tipo oblea. También hay una amplia gama de opciones de carcasa, disco y material de sellado que permiten estas válvulas de mariposa. Pueden utilizarse tanto para líquidos como para gases en aplicaciones con un amplio rango de temperaturas. Algunos modelos pueden utilizarse también para el agua potable (homologación DVGW).
AG
Los actuadores eléctricos AG de cuarto de vuelta (90⁰) permiten controlar las válvulas de mariposa o de bola con electricidad. Son fáciles de instalar y cablear, lo que permite una rápida integración en su sistema de automatización. Tienen una brida ISO-5211 de tipo F03, F04 o F05 con un cuadrado de eje de 14 mm. El par máximo es de 40Nm (se abre en 7 segundos) o uno más pequeño que produce 20Nm (se abre en 4 segundos) y pueden funcionar con una amplia gama de voltajes disponibles. Tienen una carcasa compacta de aluminio (con recubrimiento de polvo) y son IP67. Tienen una función de anulación manual y un indicador de posición en la parte superior para indicar la posición de la válvula.
Piezas de recambio
A continuación se muestra una lista de las piezas de repuesto para esta unidad en caso de que se necesiten. Simplemente utilice el número SKU en nuestra barra de búsqueda para encontrar la pieza adecuada.Válvula de mariposa: BFLW-50-16-CBA
Actuator: AG-040-A
Nota: Este producto se entrega en piezas separadas, pero con los accesorios de montaje necesarios.



