Válvula de mariposa electrica wafer DN65 (2-1/2 pulgadas) 120VAC GGG40-Acero inoxidable-FKM - BFLW
Esta válvula de mariposa de accionamiento eléctrico es ideal para el control de flujo on/off. El actuador es apto para fuentes de alimentación de 100 a 240 voltios AC. El actuador tiene la certificación IP67 y está equipado con una anulación manual. La válvula de mariposa tiene un diámetro nominal de 65 mm (2-1/2 pulgadas), es adecuada para temperaturas del medio entre 5°C y 180°C, y una presión máxima de 10 bar. Se conecta fácilmente a sus tuberías con una brida tipo wafer.
- Precio normal
- €712,59
- Precio normal
- €588,92
Descripción
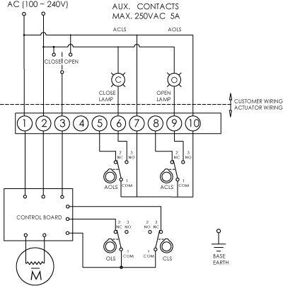
Esta válvula de mariposa con control electrico es una solución robusta y duradera para el control remoto de encendido/apagado. La válvula de mariposa tiene una carcasa de hierro fundido, un disco de acero inoxidable y una junta de FKM. El actuador requiere de 100 a 240 voltios de corriente alterna y genera 40 Nm de par de apertura para girar la válvula de 0 a 90 grados en 8 segundos. La corriente nominal en funcionamiento es de 0,1 amperios (corriente de pico 0,2 A). La válvula tiene un control de 3 puntos: además de los dos contactos para la alimentación (más y menos), hay una señal para la apertura (menos) y otra para el cierre (menos). La válvula de mariposa tiene una brida tipo wafer para conectarla a la tubería, un diámetro nominal de DN 65 (2-1/2 pulgadas) y una presión nominal de hasta 10 bares para fluidos no peligrosos. Tenga en cuenta que la presión máxima puede variar en función del tipo de medio, por lo que debe consultar detenidamente la ficha tecnica. La válvula de mariposa tiene un disco de acero inoxidable que la hace adecuada para aplicaciones con agua, medios abrasivos o productos alimentarios. La junta de FKM de la válvula permite un rango de temperaturas de 5°C a 180°C. El actuador tiene una carcasa robusta y compacta de hierro fundido (con recubrimiento en polvo) y es resistente al polvo y la humedad (certificado IP67), siempre que se instale correctamente un cable del tamaño adecuado. El actuador tiene una función de anulación manual y cuenta con un indicador de posición en la parte superior. El actuador se monta en la válvula de mariposa a traves de la brida ISO 5211 F05 (11 mm).
Pros
- Sin riesgo de golpe de ariete gracias a la lentitud de cierre (7 s).
- Los componentes son intercambiables y pueden sustituirse individualmente en caso necesario.
- Sólo consume energía durante el movimiento y no para mantener la apertura o el cierre.
- Valor Kv elevado porque el fluido circula en línea recta.
- Tiene una longitud de construcción pequeña para un diámetro DN 65 (2-1/2 pulgadas) en comparación con la válvula de bola del mismo tamaño de diámetro.
- Puede utilizarse para una amplia gama de fluidos y gases.
- Adecuado para medios viscosos.
Contras
- Si falla la alimentación, no se puede manejar a distancia. Sin embargo, existe una función de anulación manual.
- La válvula no tiene un paso de caudal totalmente libre debido al disco, en comparación con las válvulas de bola.
- Sólo puede montarse con brida tipo wafer, que no puede utilizarse al final de una línea.
BFL - Serie AG
BFL
Las válvulas de mariposa de la serie BFL son una gran solución rentable para operaciones de encendido/apagado, así como para la modulación del caudal. Se accionan manualmente mediante una palanca de apriete con reten de bloqueo o una rueda de engranaje manual. Adecuado para presiones de 4 - 16 bar, dependiendo del tamaño del diámetro (25 - 300 mm), el medio y la combinación de materiales. Retire la palanca de apriete o el volante para crear una brida ISO 5211 (tamaño F05 a F12). Tiene una longitud constructiva pequeña en relación con el diámetro y puede instalarse mediante una brida tipo orejeta o una brida tipo oblea. Tambien hay una amplia gama de opciones de material de carcasa, disco y junta que permiten estas válvulas de mariposa. Pueden utilizarse tanto para líquidos como para gases en aplicaciones con una amplia gama de temperaturas. Algunos modelos tambien pueden utilizarse para agua potable (homologación DVGW).
AG
Los actuadores electricos AG de cuarto de vuelta (90⁰) permiten controlar válvulas de mariposa o de bola con electricidad. Son fáciles de instalar y cablear, lo que permite una rápida integración en su sistema de automatización. Tienen una brida ISO-5211 de tipo F03, F04 o F05 con un cuadrado de eje de 14 mm. El par máximo es de 40 Nm (se abre en 8 segundos) o uno más pequeño que produce 20 Nm (se abre en 4 segundos) y pueden funcionar con una amplia gama de voltajes disponibles. Tienen una carcasa compacta de aluminio (con recubrimiento de polvo) y son IP67. Disponen de una función de anulación manual y un indicador de posición en la parte superior para indicar la posición de la válvula.
Piezas de recambio
A continuación encontrará una lista de las piezas de repuesto para esta unidad en caso de que sean necesarias. Sólo tiene que utilizar el número SKU en nuestra barra de búsqueda para encontrar la pieza adecuada.Válvula de mariposa: BFLW-65-10-BBC
Actuator: AG-040-A
Nota: Este producto se entrega en piezas separadas, pero con los accesorios de montaje necesarios.



